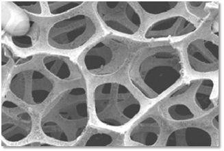
PU微多孔透气膜
结构图
平面图
截面图
PU微多孔透气膜
微多孔膜是以聚氨酯为主材料的疏水性微多孔薄膜。
结构特点:PU微多孔膜的表面具有蜘蛛网状的微孔结构。微孔状态为常规纤维节结构,在孔的三维结构上有网状连通、孔镶套、孔道弯曲等非常复杂的结构。可能由多个微孔组成一个通道,也可能一个微孔与多个通道相联。

产品特点

不含氟素
产品已全部实现不含氟素添加,不含有PFAS及PFOA物质。
防水性
微孔直径是水分子直径的两万分之一,即使最小的水滴也难以通过。
防风性
微多孔膜的微孔通道非直行通道。 气流分子极难通过其微孔通道,从而有效的阻断织物内外气体分子对流。
透湿性
微多孔膜每平方英寸有约数亿个微孔,水汽分子可自由穿过微孔,迅速排出体外,使汗气不会凝结在皮肤表面。
疏水性
当外界温度下降,停止运动时,微多孔膜能保持干爽功能,人体不会感到湿冷,这是亲水薄膜无法做到的。
透气性
微多孔有少量空气透过率,单膜透气性可达1.5mm/s,能提高人体舒适度,避免产生闷热感。

产品型号

产品分类微多孔系列Kumu MicroPorous Films
产品型号KMP-35KMP-50KMP-70
KMP FILM颜色/类型W/B/GW/B/GW/B/G
项目单位测试方法\特点微孔透气/克重轻微孔透气/高透湿微孔透气
厚度μmJIS L1096355070
克重g/㎡JIS L1096192326
宽幅mmGB/T4666-2009153015301530
透湿g/㎡/24小时GB/T 12704.2—2009倒杯11,000 10,000 10,000 
g/㎡/24小时JIS L 1099 A112,000 11,000 10,000 
g/㎡/24小时JIS L 1099 B150,000 40,000 10,000 
耐水压mmH₂OJIS L 1092 B15,000 18,000 7,000 
透气mm/sISO92370.60.50.3
规格m/支包装规格500米/支500米/支500米/支